ESAEducationInicioTiempo y climaCambio globalDesastres naturales
   
El tiempo
El foehnMeteosat InteractivoImágenes del Meteosat
El clima
Clima de ÁfricaClima del HimalayaEl NiñoExplora el mundo y su clima con JP ExplorerLa Corriente del GolfoLago Chad
 
 
 
 
Article Images
Shanghai, China - continuado
 
 
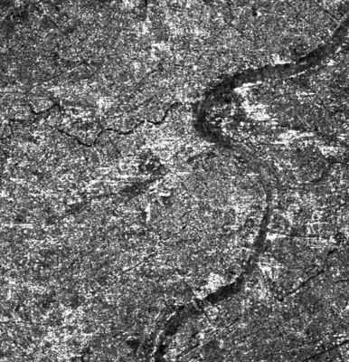
  Shanghai y sus alrededores
 
Overview image of the estuary of the Yangtze river
Download:
 HI-RES JPEG (Size: 186 kb)
Shanghai and surroundings.

Credits: ENVISAT/ASAR
 
  Centro urbano de Shanghai
 
Shanghai city centre
Download:
 HI-RES JPEG (Size: 269 kb)
Shanghai city centre.

Credits: ENVISAT/ASAR
 
  Zonas rurales al norte de Shanghai
 
Rural area north of Shanghai
Download:
 HI-RES JPEG (Size: 210 kb)
Rural area north of Shanghai.

Credits: ENVISAT/ASAR
 


JP Explorer
Explora el mundo y su clima con JP ExplorerJP Explorer (Danish)
Destinaciones de las expediciónes
Porto Velho, Brasil y sus alrededoresIqaluit, CanadaFunafuti Atoll, TuvaluShanghai, ChinaDelhi, la IndiaWindhoek - Namibia
Eduspace - Software
LEOWorks 3
Eduspace - Download
Namibia_PC-Analyses.zipNamibia_data.zip
Meer op internet
Geological Survey of NamibiaNamibia informationNamibia Okavango river basinGeological maps
 
 
 
   Copyright 2000 - 2014 © European Space Agency. All rights reserved.