Shanghai, China - Continued
|  | Overview image of the estuary of the Yangtze river | | Shanghai and its surroundings Download here a larger version of Shanghai and its surroundings (0.6 Mb)
Another sensor onboard Envisat is the ASAR radar instrument. On 18 January 2004, it captured this overview image of the estuary of the Yangtze river.
To understand how large this river is, measure it across at its mouth on the southern arm. The pixel size is 125 m. In fact, on the ground, it must be a very clear day to see across the river!
The city of Shanghai is in the centre of the image. It can be recognised by its light grey colour. It sits on the bend of a small river. To the west of the city, two oblong dark features are visible. These are the airports of Shanghai, the southern one being the international one. The surroundings of the city consist of many small to middle-sized towns (patches of bright points) embedded in a rectangularly organised road or canal structure. The agriculture is quite intensive, with vegetables and tree plantations which feed the town's population.
The northern part of the image is very different. There we can observe thousands of small fields, and in some places, also the same rectangular pattern due to the canals.
Canals are very important in such a region which is very little above the sea level and very flat.
Can you explain the function of these canals?
 | | | Shanghai city centre | Shanghai city centre Download here a larger version of Shanghai's city centre (0.7 Mb)
The city centre of Shanghai is seen here by spaceborne radar. The many bright points are large buildings and skyscrapers. East of the river, most of the bright dots represent a high building including the most famous one, the 'Oriental Pearl Tower', situated close to the river. The grey areas with small dots are produced by innumerable densely packed small houses. There are only four bridges over the Huangpu Jian. The Nanpu Bridge is just south of the river bend. The large access highway is visible as a straight dark band, but the bridge itself is dark as well and cannot be distinguished from the water.
Here is a short exercise to compare the imaged 'Oriental Pearl Tower' with reality.
Display the radar image with the LEOWorks software.
Identify the 'Oriental Pearl Tower'. Its position in x,y image coordinates is 518, 264 (indication on the bar in the lower left corner of the display window).
Can you recognise the peculiar form of that feature?
Now look at a picture of the tower. You can find it on the Oriental Pearl Tower website.
The feature on the image consists mainly of the basement of the tower, since the two huge spheres would be imaged at a distance of about 200 m respectively, 650 m towards east.
You can observe strange short parallel lines, especially eastwards. This might well be a representation of interferences from the TV tower, as it also transmits microwaves, albeit in slightly different frequencies.
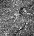
|  | Rural area north of Shanghai | | Rural areas north of Shanghai Download here a larger version of the rural area north of Shanghai (0.9 Mb)
This image of a rural part north of the main course of the Yangtze River is very different from the densely built-up areas image. Variable field sizes can be observed. The very long and narrow fields near the river are fish ponds. The belt of rectangular fields to the south is garden land. In the lower part, reclaimed land of large fields is visible.
In this area, cotton is produced. Corn and millet are probably also grown. This is certainly the case in the reclaimed land forming larger fields north of the river.
But where do the farmers live? On radar images, houses are represented by bright spots. We would like to enhance them by colouring them in red. Using LEOWorks, we will first display the image. You should then choose Image/Convert to…./Image with LUT.
Click on the greyscale that appears in the lower bar of the image window. Colour all values between 250 and 255 in red, using the range, or by clicking each value of the grey level range individually using the slide bar: Red to 255, Green to 0 and Blue to 0.
You may also observe that some bright rice field borders have become red. We have to disregard these linear elements. They are just bright because of the casual alignment parallel to the track of the satellite.
What can you conclude with respect to the distance between the houses and the farmland?
In this respect, are there any differences between the two sides of the River?
In your country, is the farmland situated next to the farmer's house? Or do the farmers need to drive to reach their fields? If so, how far do they drive?
|